Up チャタリング対策 : フリップフロップ 作成: 2021-01-14
更新: 2021-01-14


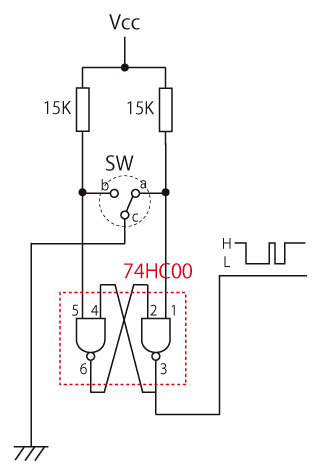
    回路図

    回路のロジック